28. zář 2017 13:49
S mojim minikom sme spolu už presne rok (10t km) a tak je čas rekapitulovať:
Bol to rok plný radosti z úžasného vozenia, ktoré slovami len ťažko popísať. Stále sa teším na každú jednu jazdu, či už dlhší výlet alebo len presúvanie po meste.
Auto som kupoval s niekoľkými nedostatkami, ktoré som za ten rok odstránil a momentálne je v plnej forme.
Skúsim sa rozpamätať na všetko a v skratke to tu popísať + pridať zopár fotiek. Možno to niekomu pomôže tak ako mne pomohlo toto fórum zakaždým keď som niečo potreboval.
- ako prvá nasledovala klasická výmena oleja + filtrov, zvolil som 5w30ku a interval výmeny 8-10t km... pravidelná kontrola a dolievanie = spotreba 2l na 10t km, čo je myslím jedno z tých lepších čísel,
- spároval som si nefunkčné diaľkové ovládanie podľa návodu ktorý som našiel tu na fóre, odvtedy funguje bezchybne
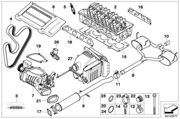
- chvíľu som koketoval s myšlienkou otvoreného sania K&N ale nakoniec mi prišlo ľúto JCW airboxu a tak som v ňom len nahradil pôvodný papierový filter penovým Pipercross, ktorý stačí občas vyčistiť,
- čistenie škrtiacej klapky - občas sa mi stalo, že mi na semafóre poskakovali otáčky, po vyčistení sa to zlepšilo,
- zimná sada pneu Bridgestone Blizzak - slúžili dobre celú zimu, neskôr pribudli nové disky S-spoke 85, ktoré mu pristanú rovnako ako GPčkové na ktorých som ho kupoval, letné pneu Pirelli PZero taktiež spokojnosť,
- gumené koberčeky - v zime boli nutné
- výmena horného uloženia tlmičov, pri otáčaní volantom bolo z pravej strany počuť vŕzganie, predpoklad že HU je KO sa naplnil
- vyleštenie svetiel pretože boli už dosť zažltnuté,
- nové stierače Bosch Aerotwin, keď to porovnám s inými autami tak stále nie som spokojný so stieraním hlavne vo vyšších rýchlostiach, holt okno je viac kolmé a lepšie to už asi nebude. Veľmi mi liezlo na nervy, že pri každom ostrekovaní okna sa spúšťalo aj ostrekovanie svetiel. Riešim to tak, že vypnem svetlá, ostreknem okno a svetlá opäť zapnem
- všetky žiarovky (vnút. osvetlenie, kufor, špz, parkovačky) som vymenil za LEDky
- prečalúnenie stropnice - auto som kupoval s prepadnutou látkou. Vyhral som aukciu na nemeckom ebayi na novú čiernu z JCW avšak predajca trval na tom že mi ju pošle preloženú napoly, nedalo sa s ním nijak dohodnúť a nechcel som riskovať že zostane pokrčená tak som dal stropnicu prečalúniť do čiernej farby, madlá a slnečné clony som nechal v pôvodej farbe, výsledok je myslím pekný,
- nové sviečky NGK BKR7EQUP, namiesto BKR6EQUP,
- výmena spojky + dvojhmoty (sada LuK) - po každom naštartovaní bolo počuť klepanie, ktoré zmizlo po zatlačení spojky, príčinou bolo opotrebované spojkové ložisko, dokonca som si všimol malú prasklinku na prítlačnom kotúči. Po výmene je ticho a zlepšilo sa tiež radenie rýchlostí. Zotrvačník som vymenil skôr z prevencie,
- výmena oleja v prevodovke - Texaco MTF94, 2l kupované z českého eshopu,
- výmena chl. kvapaliny, dal som tam ružovú G12 kedže tam bola aj predtým,
- vymenený klinový remeň,
- nová servo kvapalina Pentosin CHF11S.
Určite som ešte na kopec vecí zabudol. Menil som taktiež čelné sklo pretože som schytal na diaľnici kamienok. O týždeň som znovu cestoval na východné Slovensko a opäť kamienok.

Tentokrát je to však iba malá bodka, ktorá sa nerozširuje a tak to zatiaľ neriešim.
Plány do budúcna:
- určite sa pokúsim nájsť si čas a konečne doraziť na nejaký zraz, taktiež by som si rád urobil výlet za miestnym guru na zopár úprav, hlavne novú mapu, dekarbonizáciu...
- výmena nádobky na chl. kvapalinu - zdá sa mi že trošku preteká. Pokukujem po oceľovej, má ju niekto z vás? Je to plug n play?
- na jar nové brzdy, už pozerám po niečom lepšom,
- servo je občas náladové a tak sa asi nevyhnem výmene hydročerpadla.
Ako som už písal, autíčko mi robí obrovskú radosť a už sa teším na ďalší rok s ním.
- Přílohy
-

- vymenený v hodine 12tej
-

- pravidelný kúpeľ
-

- prečalúnená stropnica
-

- horné uloženie malo časy najväčšej slávy za sebou
-

- leštenie svetiel
-

- pred sviatkami pribudol do rodiny ďalší angličák
-

-

- v mrazoch sa mi poškodil zadný znak, nový od používateľa Ondra (dík)
-

- nové disky
-

- NGK BKR7EQUP
-
